Aplikasi Flip-Flop





1. Tujuan

- Untuk mengetahui prinsip kerja dari rangkaian flip-flop

- Untuk mengetahui aplikasi dari rangkaian flip-flop

2. Alat dan bahan

    a. alat   

a.  AC Voltmeter

Voltmeter adalah perangkat elektronik yang berfungsi untuk mengukur tegangan dalam rangkaian listrik. Voltmeter dalam rangkaian dipasang secara paralel pada dua buah titik yang diukur.



·      b. Baterai 12V DC Baterai merupakan sumber tegangan DC dalam rangkaian. Dalam Rangkaian ini, tegangan baterai bernilai 12 V.


    b. bahan

  • Sensor PIR



Sensor PIR atau disebut juga dengan Passive Infra Red merupakan sensor yang digunakan untuk mendeteksi adanya pancaran sinar infra merah dari suatu object. Pada umumnya sensor PIR memiliki jangkauan pembacaan efektif hingga 5 meter, namun sensor PIR memiliki jangkauan jarak dan sudut pembacaan yang bervariasi, tergantung karakteristik sensor.

  • NAND Gate



Gerbang NAND merupakan kombinasi dari Gerbang AND dan Gerbang NOT yang menghasilkan kebalikan dari Keluaran (Output) Gerbang AND. Gerbang NAND akan menghasilkan Keluaran Logika 0 apabila semua Masukan (Input) pada Logika 1 dan jika terdapat sebuah Input yang bernilai Logika 0 maka akan menghasilkan Keluaran (Output) Logika 1.

  • Inverter



Power Inverter atau biasanya disebut dengan Inverter adalah suatu rangkaian atau perangkat elektronika yang dapat mengubah arus listrik searah (DC) ke arus listrik bolak-balik (AC) pada tegangan dan frekuensi yang dibutuhkan sesuai dengan perancangan rangkaiannya.

  • Resistor



Resistor merupakan salah satu komponen elektronika pasif yang berfungsi untuk  membatasi arus yang mengalir pada suatu rangkaian dan berfungsi sebagai teminal antara dua komponen elektronika. Tegangan pada suatu resistor sebanding dengan arus yang melewatinya (V = I.R).

  • LED



LED dapat kita definisikan sebagai suatu komponen elektronika yang terbuat dari bahan semikonduktor dan dapat memancarkan cahaya apabila arus listrik melewatinya.
Led (Ligth-Emitting Diode) memiliki fungsi utama dalam dunia elektronika sebagai indikator atau sinyal indikator atau lampu indikator.

  • Relay



Relay adalah komponen elektronika yang berupa saklar atau switch elektrik yang dioperasikan   menggunakan listrik. Relay disebut sebagai komponen electromechanical karena terdiri dari dua bagian utama yaitu coil atau elektromagnet dan kontak saklar atau mekanikal. Komponen relay menggunakan prinsip elektromagnetik sebagai penggerak kontak saklar, sehingga dengan menggunakan arus listrik yang kecil atau low power, dapat menghantarkan arus listrik yang memiliki tegangan lebih tinggi.

  • Transistor



Transistor NPN adalah transistor bipolar yang menggunakan arus listrik kecil dan tegangan positif pada terminal Basis untuk mengendalikan aliran arus dan tegangan yang lebih besar dari Kolektor ke Emitor Cara kerja transistor NPN adalah jika kaki basis transistor diberi tegangan bias maka arus pda kolektor akan mengalir ke kaki emitor.
  • Dioda



Dioda adalah komponen aktif dua kutub yang pada umumnya bersifat semikonduktor, yang memperbolehkan arus listrik mengalir ke satu arah (kondisi panjar maju) dan menghambat arus dari arah sebaliknya (kondisi panjar mundur). 

3. Dasar teori

Sensor PIR
Sensor PIR (Passive Infrared Receiver) adalah sebuah sensor yang biasa digunakan untuk mendeteksi keberadaan manusia. Aplikasi ini biasa digunakan untuk system alarm pada rumah-rumah atau perkantoran. Sensor PIR adalah sebuah sensor yang menangkap pancaran sinyal inframerah yang dikeluarkan oleh tubuh manusia maupun hewan. Sensor PIR dapat merespon perubahan- perubahan pancaran sinyal inframerah yang dipancarkan oleh tubuh manusia.

Sensor PIR terdiri dari beberapa bagian yaitu :

1.       Fresnel Lens
Lensa Fresnel pertama kali digunakan pada tahun 1980an. Digunakan sebagai lensa yang memfokuskan sinar pada lampu mercusuar. Penggunaan paling luas pada lensa Fresnel adalah pada lampu depan mobil, di mana mereka membiarkan berkas parallel secara kasar dari pemantul parabola dibentuk untuk memenuhi persyaratan pola sorotan utama. Namun kini, lensa Fresnel pada mobil telah ditiadakan diganti dengan lensa plain polikarbonat. Lensa Fresnel juga berguna dalam pembuatan film, tidak hanya karena kemampuannya untuk memfokuskan sinar terang, tetapi juga karena intensitas cahaya yang relative konstan diseluruh lebar berkas cahaya.

2.       IR Filter
IR Filter dimodul sensor PIR ini mampu menyaring panjang gelombang sinar infrared pasif antara 8 sampai 14 mikrometer, sehingga panjang gelombang yang dihasilkan dari tubuh manusia yang berkisar antara 9 sampai 10 mikrometer ini saja yang dapat dideteksi oleh sensor. Sehingga Sensor PIR hanya bereaksi pada tubuh manusia saja.

3.       Pyroelectric Sensor
Seperti tubuh manusia yang memiliki suhu tubuh kira-kira 32 derajat celcius, yang merupakan suhu panas yang khas yang terdapat pada lingkungan. Pancaran sinar inframerah inilah yang kemudian ditangkap oleh Pyroelectric sensor yang merupakan inti dari sensor PIR ini sehingga menyebabkan Pyroelectic sensor yang terdiri dari galium nitrida, caesium nitrat dan litium tantalate menghasilkan arus listrik. Mengapa bisa menghasilkan arus listrik? Karena pancaran sinar inframerah pasif ini membawa energi panas. Material pyroelectric bereaksi menghasilkan arus listrik karena adanya energi panas yang dibawa oleh infrared pasif tersebut. Prosesnya hampir sama seperti arus listrik yang terbentuk ketika sinar matahari mengenai solar cell.

4.       Amplifier
Sebuah sirkuit amplifier yang ada menguatkan arus yang masuk pada material pyroelectric.

5.       Komparator
Setelah dikuatkan oleh amplifier kemudian arus dibandingkan oleh komparator sehingga mengahasilkan output.


Hasil gambar untuk grafik sensor pir
Gambar 1. Blok Diagram Sensor PIR

Gerbang Logika

Hasil gambar untuk gerbang logika
Gambar 2. Tabel Gerbang Logika

R-S Flip-Flop
Pada elektronikFlip-Flop atau latch merupakan sirkuit elektronik yang memiliki dua arus stabil dan dapat digunakan untuk menyimpan informasi. Sebuah flip-flop merupakan multivibrator-dwistabil. Sirkuit dapat dibuat untuk mengubah arus dengan sinyal yang dimasukkan pada satu atau lebih input kontrol dan akan memiliki satu atau dua output. Ini merupakan elemen penyimpanan dasar pada Logika Sekuensial. Flip-flop dan latch merupakan bangunan penting dalam sistem elektronik digital yang digunakan pada komputer, komunikasi dan tipe lain dari sistem.
Flip-flop dan latch digunakan sebagai elemen penyimpan data, seperti penyimpan data yang dapat digunakan untuk menyimpan memori, seperti sirkuit yang dijelaskan pada logika sekuensial. Ketika menggunakan Read-only Memory, output dan keadaan selanjutnya tidak hanya bergantung pada input awalnya saja, tetapi pula pada keadaan yang sekarang. Flip-flops juga dapat digunakan untuk menghitung detak, dan untuk mengsinkronisasikan input signal waktu variable untuk beberapa signal waktu yang direferensi.
Flip-flop dapat digunakan secara sederhana yaitu dengan menggunakan clock; sedangkan yang paling sederhana dinamakan latch. Kata "latch" lebih biasa digunakan untuk menyimpan data yang ada, sementara clocked devices dapat dikategorikan sebagai flip flop.
Flip-flop dan latch digunakan sebagai elemen penyimpanan data. Penyimpanan data ini digunakan untuk menyimpan state (keadaan) pada ilmu komputer, dan sirkuit ini merupakan logika sekuensial. Saat digunakan di mesin finite-state, hasil keluaran dan state selanjutnya bergantung bukan hanya kepada keadaannya saat ini, tetapi juga kepada state saat ini (dan, karena itu, masukan sebelumnya). Sirkuit juga dapat digunakan untuk menghitung bunyi teratur dan sinkronisasi sinyal.
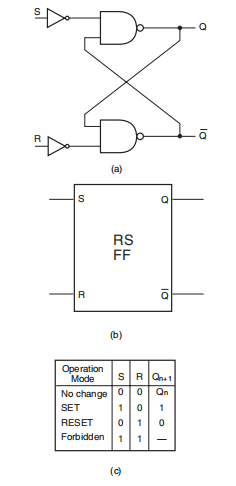
  • R-S Flip-Flop with Active LOW Inputs
Gambar 3. R-S Flip-Flop with active low inputs

  • R-S Flip-Flop with Active HIGH Inputs
Gambar 4. R-S Flip-Flop with active high inputs

Gambar 5. NOR implementation of an R-S flip-flop

Karakteristik persamaan R-S flip-flop with active low dan active high inputs dapat dinyatakan dengan persamaan:


  • Clocked R-S Flip-Flop
Gambar 6. Clocked R-S flip-flop with active high inputs


Gambar 7. Clocked R-S flip-flop with active low inputs

4. Prosedur percobaan

1. Persiapkan alat dan bahan

2. Rangkai alat dan bahan seperti gambar rangkaian dibawah

3. Jika Sensor mendeteksi adanya infared pasif maka relay berubah arah sehingga buzzer berbunyi dan lampu menyala

4. Jika Sensor tidak mendeteksi adanya infared pasif maka relay tetap pada posisi sehingga buzzer tidak berbunyi dan lampu tidak menyala.

5. Sensor PIR dapat mendeteksi dari suhu tubuh manusia ataupun hewan.

5. Gambar rangkaian

a. Rangkaian tidak aktif

b. Rangkaian aktif


6. Video

7. Contoh soal

8. Problem

9. Soal pilihan ganda

10. Link Download

Rangkaian proteus disini

Video disini

Datasheet Resistor disini

Datasheet Transistor bc547 disini

Datasheet Sensor PIR disini

Datasheet Relay disini

Library Sensor PIR disini

Tidak ada komentar:

Posting Komentar